AMADA Press Brake Tooling
https://www.mihartingtooling.com/products/amada-press-brake-tooling/
#amada #press #brake #tooling
Amada system is the most widely used mold type in the field of industrial manufacturing. With its high-precision design and manufacturing process, it can accurately shape raw materials. Its reasonable structural design can effectively improve production efficiency and reduce the defective rate. It is widely used in the production of automotive parts, electronic compone... moreAMADA Press Brake Tooling
https://www.mihartingtooling.com/products/amada-press-brake-tooling/
#amada #press #brake #tooling
Amada system is the most widely used mold type in the field of industrial manufacturing. With its high-precision design and manufacturing process, it can accurately shape raw materials. Its reasonable structural design can effectively improve production efficiency and reduce the defective rate. It is widely used in the production of automotive parts, electronic components, etc., and plays a key role in ensuring product quality and smooth production processes.
How to Use AMADA Press Brake Tooling?
Choose the appropriate Amada press brake tooling
Choose the appropriate Amada press brake tooling to ensure that the mold's accuracy, strength and size specifications meet the processing requirements
Cleaning the mold and installation area
Use special cleaning tools to carefully remove oil, iron filings, dust and other impurities from the mold surface and the installation parts of the bending machine to ensure that the installation surface is clean and flat, and improve the stability and accuracy of mold installation.
Accurately install the punch and die
Install the press brake punch on the slider of the bending machine, use the positioning device to accurately align it, place the lower die stably on the press brake die seat of the bending machine, also align it through the positioning device, and then use the fastening bolts to fix the lower die to ensure uniform force.
Press brake machine parameter setting
According to the formula in the pressure calculation manual of the Amada bending machine, set the appropriate bending pressure and bending speed, and determine the stroke of the slider according to the thickness and bending angle of the plate.
Try folding and adjusting the angle
Before the formal batch bending, 1-2 trial bendings are carried out. The angle and size of the bent sheet are measured, and the surface quality of the sheet is checked.
Mold disassembly and maintenance
After the bending work is completed, first turn off the power of the bending machine, and then disassemble the mold in the reverse order of installation.
Precision Press Brake Punch & Dies Toolings
https://www.mihartingtooling.com/press-brake-tooling/
#press #brake #tooling #material
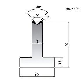
The press brake tooling for sale is a special tool for sheet metal bending, mainly composed of an punches and die. The punch tools is installed on the upper part of the bending machine, and the die tools is fixed on the work surface. The press brake punch and die sets is designed in different shapes and sizes according to the processing requirements to achieve be... morePrecision Press Brake Punch & Dies Toolings
https://www.mihartingtooling.com/press-brake-tooling/
#press #brake #tooling #material
The press brake tooling for sale is a special tool for sheet metal bending, mainly composed of an punches and die. The punch tools is installed on the upper part of the bending machine, and the die tools is fixed on the work surface. The press brake punch and die sets is designed in different shapes and sizes according to the processing requirements to achieve bending of different angles and shapes. The press brake punch and die sets material is usually high-strength to ensure processing accuracy and durability. Correct selection and use of the mold can improve bending efficiency and processing quality.
High-Performance Press Brake Punch and Die Sets: Miharting's Quality Guarantee
Material:
high-quality mold steel with high hardness, high strength and good wear resistance. In long-term bending production, the press brake tooling for sale can maintain a stable working state, reduce product quality problems caused by mold wear, and avoid brittle fracture.
Processing accuracy:
The machining accuracy of key dimensions of the mold, such as V-groove width, depth, angle, etc., can be controlled within ±0.05mm. The roughness of the mold working surface can usually reach Ra0.8 - 1.6μm. The precise dimensions can ensure that the angle and size of the bent sheet meet the design requirements and improve the consistency and yield of the product.
Structural design:
The most optimized tools shape is designed according to different bending processes and plate materials and thicknesses. The press brake punch and die sets design has standardized installation interfaces and positioning devices, which facilitates fast and accurate installation and debugging on the bending machine.
Production efficiency
The use of advanced quick clamping system greatly shortens the mold replacement time and improves the utilization rate of equipment compared to the traditional bolt fastening method. In the production mode of multiple varieties and small batches, quick clamping molds can significantly improve production efficiency.
Advantages of Miharting's Press Brake Tooling For Sale
Material
Using high-quality mold steel, such as Cr12MoV, etc., which can maintain its shape and dimensional accuracy for a long time, and will not affect the bending quality due to excessive wear.
Efficiency
Whether in a high temperature and high humidity environment or in long-term uninterrupted bending operations, the press brake punch and die sets can maintain its dimensional accuracy, surface quality and mechanical properties to ensure the stability of product quality.
Customizable
We offer custom press brake tooling according to customers ' needs. We will design the most optimized mold shape according to different bending processes, sheet materials and thicknesses.
After-sales service
As a global supplier of China press brake tooling, Our press brake tooling for sale is well-known for efficient production and on-time delivery, and come with a 2-year warranty, as well as on-site installation and repair services.
Press Brake Accessories : Durable Components & Replacement Parts
https://www.mihartingtooling.com/press-brake-accessories/
#sheet #metal #box #and #pan #brake
In addition to the press brake toolings, other related press brake accessories include bending machine system, quick clamp, motor, hydraulic valve, mechanical compensation, ball screw, etc. The toolings is used to form the workpiece, the punches and die cooperate to complete the bending action, the blade is used to cut the material. Th... morePress Brake Accessories : Durable Components & Replacement Parts
https://www.mihartingtooling.com/press-brake-accessories/
#sheet #metal #box #and #pan #brake
In addition to the press brake toolings, other related press brake accessories include bending machine system, quick clamp, motor, hydraulic valve, mechanical compensation, ball screw, etc. The toolings is used to form the workpiece, the punches and die cooperate to complete the bending action, the blade is used to cut the material. These accessories work together to ensure that the bending machine completes the metal processing task efficiently and accurately.
Essential Press Brake Accessories for Enhanced Performance
Press Brake System
Through intelligent programming and operation interface, it can not only greatly improve the accuracy of bending processing and reduce human errors, but also achieve efficient bending of complex-shaped workpieces.
Quick Clamp
As an important auxiliary accessory of the bending machine, the quick clamp can quickly and firmly clamp the plate to be processed. Compared with the traditional clamping method, it shortens the clamping time, realizes the rapid positioning and fixing of the plate, and reduces the loss of non-processing time.
Motor
The motor is the power source of the bending machine. It converts electrical energy into mechanical energy to provide power for each working part of the bending machine so that it can complete the corresponding actions.
Hydraulic Valve
The hydraulic valve is the core control component of the hydraulic system of the bending machine. It accurately adjusts the flow, pressure and direction of the hydraulic oil. High-quality hydraulic valves can ensure stable pressure during the bending process of the bending machine and avoid the reduction of bending accuracy caused by pressure fluctuations.
Mechanical Compensation
The mechanical compensation device can effectively compensate for the angle deviation caused by factors such as sheet rebound during the bending process. When bending sheets of different materials and thicknesses, rebound is inevitable, and mechanical compensation ensures that the final product reaches the precise angle required by the design through fine-tuning of the mechanical structure.
Ball Screw
Ball screws are used to convert rotary motion into linear motion and play an important role in precise displacement control in bending machines. Compared with ordinary screws, ball screws have the characteristics of high precision, high efficiency and low friction.
Custom Metal Stamping Tools & Sheet Metal Forming Equipment
https://www.mihartingtooling.com/applications/sheet-metal-forming-equipment.html
#sheet #metal #bending #dies
Sheet metal equipment is mainly used to perform various processing on sheet metal materials, such as cutting, stamping, bending, welding, etc. In the mold manufacturing industry, sheet metal equipment is widely used in the manufacturing and processing of molds, including the processing of mold bottom plates, side plates, top... moreCustom Metal Stamping Tools & Sheet Metal Forming Equipment
https://www.mihartingtooling.com/applications/sheet-metal-forming-equipment.html
#sheet #metal #bending #dies
Sheet metal equipment is mainly used to perform various processing on sheet metal materials, such as cutting, stamping, bending, welding, etc. In the mold manufacturing industry, sheet metal equipment is widely used in the manufacturing and processing of molds, including the processing of mold bottom plates, side plates, top plates and other parts. Through the processing of sheet metal equipment, it can be ensured that the mold parts have precise size and shape to meet the requirements of toolingdesign.
Advantages of Sheet Metal Equipment Manufacturing Industry
1. Wide processing range: Sheet metal equipment can process various types of sheet metal materials, such as steel plates, aluminum plates, stainless steel plates, etc., to meet the needs of different mold manufacturing.
2. High processing accuracy: Sheet metal equipment uses advanced control systems and sensors to achieve precise processing control and ensure the size and shape accuracy of mold parts.
3. High production efficiency: Sheet metal equipment can realize automated processing, reduce manual operation, and improve production efficiency. At the same time, sheet metal equipment can also perform multi-station processing, realize simultaneous processing of multiple parts, and further shorten the production cycle.
4. Strong flexibility: Sheet metal equipment can be customized according to different mold manufacturing requirements to meet the personalized needs of different customers. At the same time, sheet metal equipment can also combine multiple processing methods to achieve the integration of multiple functions.
5. Reduce production costs: Sheet metal equipment can realize automated and intelligent processing, reduce labor costs and material waste, and reduce production costs. At the same time, sheet metal equipment can also improve processing accuracy and production efficiency, reduce scrap rate and rework rate, and further reduce production costs.
In summary, bending machine molds and sheet metal equipment have broad application prospects and significant advantages in the mold manufacturing industry, and are important tools and equipment that are indispensable to the mold manufacturing industry.
Advanced NC Hydraulic Press Brake Machines for Efficient Tooling
https://www.mihartingtooling.com/applications/nc-press-brake-machine.html
#nc #press #brake
NC press brake toolings are needed in the mold manufacturing process, such as forming molds, hot forming molds, cold forming molds, forming molds.
Specific Applications
Bending machine molds are tools used by bending machines to form and process sheet materials. They are divided into upper and lower molds of bending machines, which are... moreAdvanced NC Hydraulic Press Brake Machines for Efficient Tooling
https://www.mihartingtooling.com/applications/nc-press-brake-machine.html
#nc #press #brake
NC press brake toolings are needed in the mold manufacturing process, such as forming molds, hot forming molds, cold forming molds, forming molds.
Specific Applications
Bending machine molds are tools used by bending machines to form and process sheet materials. They are divided into upper and lower molds of bending machines, which are used for sheet metal stamping and separation. This tool is composed of various parts, and different molds are composed of different parts. The shape of the object is mainly processed by changing the physical state of the formed material.
Advantages of Tooling Manufacturing Industry
1. Precise molding: The bending machine mold can accurately process the material into the required shape and size to meet the precision requirements of product design.
2. Save materials: Using the bending machine mold for processing can improve the utilization rate of materials, reduce material waste, and reduce production costs
3. High production efficiency: The bending machine mold can form complex straight and bent shapes at one time, avoiding the problem of multiple processing and mold replacement, greatly shortening the production cycle.
4. Stable quality: The bending machine mold has high precision and stability, which can ensure the stable and reliable quality of the processed parts and improve product quality.
5. Reduce production costs: The bending machine mold is easy to use, which can reduce the number of replacement and maintenance times, thereby reducing production costs.
In summary, the bending machine mold has a wide range of application prospects and significant advantages in the mold manufacturing industry, and is one of the important equipment for bending workpieces in the sheet metal industry.
Precision Mold Manufacturing & Processing for Power Equipment
https://www.mihartingtooling.com/applications/mold-manufacturing.html
#mold #design
Against the backdrop of increasingly tight global energy supply and rising oil prices, the demand for power generation equipment is becoming more and more obvious. In the manufacturing process of power generation equipment, the cost of NC bending machine molds is very high.
The specific applications and advantages of the power generation equipment... morePrecision Mold Manufacturing & Processing for Power Equipment
https://www.mihartingtooling.com/applications/mold-manufacturing.html
#mold #design
Against the backdrop of increasingly tight global energy supply and rising oil prices, the demand for power generation equipment is becoming more and more obvious. In the manufacturing process of power generation equipment, the cost of NC bending machine molds is very high.
The specific applications and advantages of the power generation equipment manufacturing industry in the mold manufacturing industry are as follows:
Specific Applications
The power generation equipment manufacturing industry, especially the wind power generation equipment manufacturing industry, has a wide range of applications for mold technology. Mold technology plays a vital role in the manufacturing process of wind power generation equipment, covering multiple links such as mold design, manufacturing, product molding and processing.
1. Mold design and manufacturing: Design molds according to the needs of wind power generation equipment, and use advanced manufacturing technologies such as CNC machining to manufacture high-precision molds.
2. Product molding: Use molds to mold parts of wind power generation equipment, such as wind power foundation bases, to ensure that the shape, size and precision of the product meet the design requirements.
3. Processing optimization: Through the application of mold technology, the processing technology of wind power generation equipment can be optimized to improve production efficiency and product quality.
Advantages of Power Generation Equipment Manufacturing Industry
The application of mold technology in the power generation equipment manufacturing industry brings many advantages:
1. Improve production efficiency: mold technology can greatly improve the production efficiency of wind power generation equipment, shorten the production cycle, and meet market demand.
2. Ensure product quality: The high precision and stability of mold manufacturing ensure the dimensional accuracy and shape consistency of wind power generation equipment parts, thereby improving the performance and reliability of the whole machine.
3. Reduce costs: By optimizing mold design and processing technology, material waste and processing time can be reduced, and the manufacturing cost of wind power equipment can be reduced.
4. Promote technological innovation: The continuous innovation and application of mold technology has promoted the technological progress and industrial upgrading of the power generation equipment manufacturing industry, and provided strong support for the sustainable development of the industry.
In summary, mold technology has broad application prospects and significant advantages in the power generation equipment manufacturing industry, and is an important force to promote the development of the industry.
Efficient Train Parts Manufacturing for High-Speed Trains
https://www.mihartingtooling.com/applications/high-speed-rail-manufacturing.html
#high #speed #rail #manufacturing
High-speed train manufacturing is also an important application field for press brake toolings. Press brake toolings are used to process the outer shell and other structural parts of the train. There is a certain connection between the high-speed train manufacturing industry and the mold manufacturing industry. Especially... moreEfficient Train Parts Manufacturing for High-Speed Trains
https://www.mihartingtooling.com/applications/high-speed-rail-manufacturing.html
#high #speed #rail #manufacturing
High-speed train manufacturing is also an important application field for press brake toolings. Press brake toolings are used to process the outer shell and other structural parts of the train. There is a certain connection between the high-speed train manufacturing industry and the mold manufacturing industry. Especially in the production and manufacturing process of train parts, molds play a vital role. The following will discuss in detail the specific application and advantages of the high-speed train manufacturing industry in the mold manufacturing industry.
Specific Application
The application of molds in the high-speed train manufacturing industry is mainly reflected in the molding and processing of train parts. For example, the production of the outer shell, internal components, seats and other parts of the train body often requires injection molding, stamping, die casting and other molding processes through molds.
These molds not only require high precision and long life, but also need to have good wear resistance and corrosion resistance to ensure the quality and performance of train parts.
In addition, with the continuous development of high-speed train technology, the requirements for lightweight, high strength, and high wear resistance of train parts are becoming higher and higher. The mold manufacturing industry provides more efficient and precise mold solutions for the high-speed train manufacturing industry by adopting advanced materials and technologies, such as high-strength alloy steel, ceramic materials, and high-speed cutting technology.
Advantages of High-Speed Train Manufacturing Industry
1. Improve production efficiency: The mold manufacturing industry provides high-precision molds for the high-speed train manufacturing industry, making the production of train parts more efficient and accurate. Through the mold forming process, production efficiency can be greatly improved and production costs can be reduced.
2. Ensure product quality: The molds produced by the mold manufacturing industry have high precision and stability, which can ensure the dimensional accuracy and shape accuracy of train parts. At the same time, the wear resistance and corrosion resistance of the mold can also ensure that the train parts maintain good performance during use.
To sum up, the specific application of high-speed train manufacturing industry in the mold manufacturing industry is mainly reflected in the molding and processing of train parts, and the mold manufacturing industry provides efficient, precise and stable mold solutions for the high-speed train manufacturing industry, promoting the continuous innovation and development of high-speed train technology.
Custom Aerospace Molds & Tooling for High-Performance Parts
https://www.mihartingtooling.com/applications/aerospace-tooling.html
#aerospace #tooling
In the aerospace industry, bending machine dies are generally used to cut aircraft structural parts. These structural parts are generally large in size, and aluminum alloys were used in large quantities in the past. With the expansion of the application fields of titanium alloys and composite materials, the requirements for bending machine die p... moreCustom Aerospace Molds & Tooling for High-Performance Parts
https://www.mihartingtooling.com/applications/aerospace-tooling.html
#aerospace #tooling
In the aerospace industry, bending machine dies are generally used to cut aircraft structural parts. These structural parts are generally large in size, and aluminum alloys were used in large quantities in the past. With the expansion of the application fields of titanium alloys and composite materials, the requirements for bending machine die processing are also getting higher and higher. Molds are indispensable tools in industrial production. They can produce parts with specific shapes and sizes by forming, cutting, punching and other processing processes of raw materials. In the field of aerospace, molds are particularly widely used, which are specifically reflected in the following aspects:
Types of Aerospace Molds
1. Composite molds: commonly used to manufacture complex-shaped aerospace parts, such as airfoils, propellers, etc. The main advantage is that complex-shaped parts can be manufactured quickly and efficiently.
2. Metal molds: commonly used to manufacture metal parts, such as various parts and shells of aircraft engines. Metal molds have high wear resistance and high-temperature deformation resistance, which can meet the high requirements of the aerospace field for the quality of parts.
3. Plastic molds: have the advantages of low cost and short manufacturing cycle, which can meet the demand for large quantities of parts in the aerospace field.
4.3D printing molds: With the development of 3D printing technology, the application of 3D printing molds in the aerospace field is also increasing. 3D printing molds can quickly manufacture parts with complex shapes, with the characteristics of manufacturing flexibility and low cost, and can meet the needs of the aerospace field for small batches and personalized parts.
Advantages of aerospace molds
1. Improve production efficiency: Parts manufactured by molds have consistent shapes and sizes, which can reduce errors in manual operations. Improve production quality and stability.
2. Reduce costs: The manufacturing cost of molds is relatively low, and they can be reused, which reduces waste in the production process and improves resource utilization efficiency.
3. Accelerate product research and development and innovation: The mold manufacturing cycle is short, which can quickly meet the needs of product improvement and updating, and provide more diverse product options.
In summary, the application of molds in the aerospace field is extensive and important. Through the use of molds, production efficiency can be improved, costs can be reduced, product quality can be improved, and R&D innovation can be accelerated. With the continuous development of mold manufacturing technology, the aerospace field will usher in more innovations and breakthroughs.